B3G
技术指标
额定载荷 | t | 0.025/0.05/0.1/0.15/0.25/0.5/1/2.5/5/7.5/10 | |||
lb | 50/70/100/150/200/250/300/500/750/1 K/1.5K/2K/2.5K/3K/5K/7.5K/10K/15K/20K | ||||
精度 | C3 | C4 | A5S | B10S | |
最大检定分度数 | nmax | 3000 | 4000 | 5000 | 10000 |
最小检定分度值 | Vmin | Emax/10000 | Emax/14000 | Emax/15000 | Emax/10000 |
综合误差 | (%FS) | ≤ ±0.020 | ≤ ±0.018 | ≤ ±0.018 | ≤ ±0.035 |
蠕变 | (%FS/30min) | ≤ ±0.016 | ≤ ±0.012 | ≤ ±0.012 | ≤ ±0.030 |
温度对输出灵敏度的影响 | (%FS/10°C ) | ≤ ±0.011 | ≤ ±0.009 | ≤ ±0.009 | ≤ ±0.030 |
温度对零点输出的影响 | (%FS/10°C ) | ≤ ±0.015 | ≤ ±0.010 | ≤ ±0.010 | ≤ ±0.030 |
输出灵敏度 | (mV/V) | 3.0 ±0.008 | |||
输入阻抗 - | (Ω) | 430±60 | |||
输出阻抗 | (Ω) | 351 ±2.0 | |||
绝缘阻抗 | (MΩ) | ≥ 5000(50VDC) | |||
零点输出 | (%FS) | ≤ ±1.0 | |||
温度补偿范围 | (°C) | -10 ~ +40 | |||
允许使用温度范围 | (°C) | 35 ~ +70 | |||
推荐激励电压 | (V) | 5 ~ 12(DC) | |||
最大激励电压 | (V) | 18(DC) | |||
安全过载范围 | (%FS) | 150 | |||
极限过载范围 | (%FS) | 300 | |||
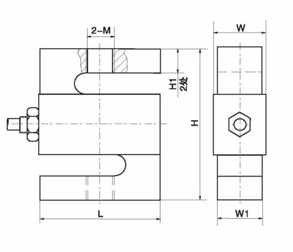
外型尺寸mm(inch)
(mm) 量程 | L | H | W1 | W | M | H1 |
50kg~100kg | 50.8 | 60.96 | 11.68 | 15.06 | M8 | |
50lb ~ 300lb | (2.0) | (2.4) | (0.46) | (0.59) | 1/4-28UNF | |
250kg~500kg | 50.8 | 60.96 | 18.03 | 21.4 | M12 | 8.89 |
500lb~1.5klb | (2.0) | (2.4) | (0.71) | (0.84) | 1/2-20UNF | (0.35) |
1t | 50.8 | 60.96 | 24.38 | 27.76 | M12 | |
2,2.5klb | (2.0) | (2.4) | (0.96) | (1.09) | 1/2-20UNF | |
2.5t | 76.2 | 99.06 | 24.38 | 27.76 | M20x 1.5 | 13.97 |
3klb | (3.0) | (3.9) | (0.96) | (1.09) | 1/2-20UNF | (0.55) |
5t | 74.68 | 99.06 | 30.74 | 34.12 | M20x 1.5 | 18.37 (0.72) |
10klb | (2.94) | (3.9) | (1.21) | (1.34) | 3/4-16UNF | 15.75 (0.62) |
7.5t | 87.38 | 139.7 | 37.08 | 40.46 | M24x2 | 27.5 |
15klb | (3.44) | (5.5) | (1.46) | (1.59) | 1-14UNS | (1.08) |
10t | 112.78 | 177.8 | 42.93 | 46.31 | M30x2 | 39.9 |
20klb | (4.44) | (7.0) | (1.69) | (1.82) | 1.25-12UNF | (1.57) |
5klb | 76.2 (3.0) | 99.06 (3.9) | 24.38 (0.96) | 27.76 (1.09) | 3/4-16UNF | 13.97 (0.55) |
